LCD12232F液晶屏中文字库ST7920液晶显示屏外形84X44 串并口通用
访问资料: 发布日期:2016-10-27 17:20
1.实物图:
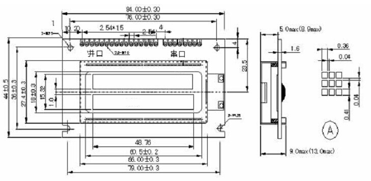
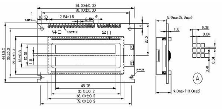
2.外形尺寸:

3.接口定义:
(1)并口脚位定义

(2)串口脚位定义

点阵数:122X32
型 号:LCM12232F
外型尺寸:84.0X44.0X13.5 MM
视域尺寸:60.0X18.5 MM
点阵大小:0.40X0.45 MM
驱动电压:5.0V
含驱动器:ST7920
背 光:LED背光
接 口:8位并行接口或串口
使用与储存温度有:常温(工作温度0~+50℃,储存温度-10~+60℃)
宽温(工作温度-20~+70℃,储存温度-30~+80℃)。

