LCD240128液晶屏 蓝膜 图形点阵液晶屏T6963控制器 可选 5V/3.3V
访问资料: 发布日期:2016-10-27 16:32
1.实拍图:

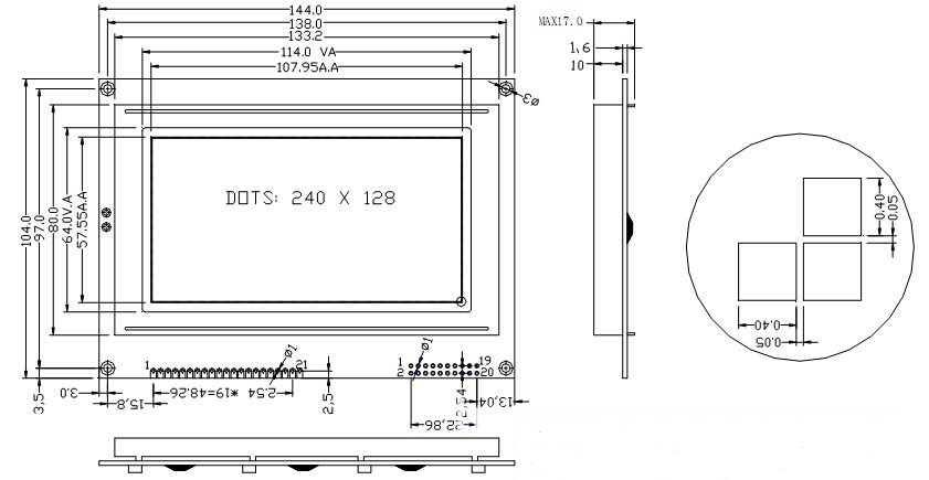
2.外形尺寸图:

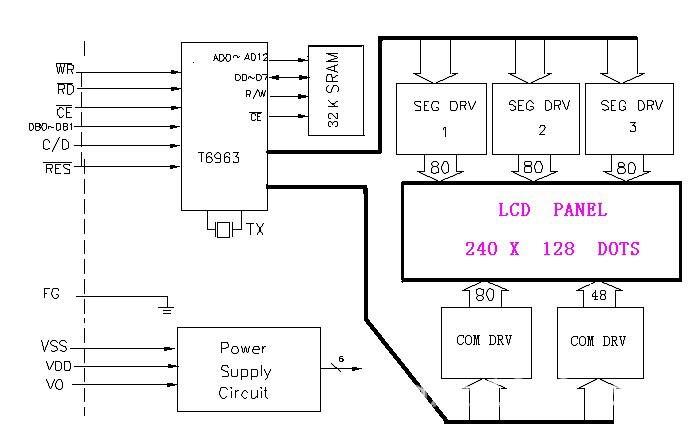
3.结构构图:

4.接口定义:

【产品型号】:LCM240128A-V3.0
【产品类型】: 图形点阵液晶模块
【显示内容】: 240(列) * 128(行)点
【外型尺寸】:144*104*13.5
【视域尺寸】:114×64
【点 大 小】:0.40×0.40
【显示模式】:黄绿、蓝、灰
【显示视角】:6:00视角
【控制芯片】:T6963
【工作电压】:+5V / +3.3V
【存储温度】:常温(工作温度0~+50℃,储存温度-10~+60℃);
宽温(工作温度-20~+70℃,储存温度-30~+80℃)。

