LCD12864液晶屏蓝膜外形54*50图形点阵液晶显示屏 可选5V/3.3V
访问资料: 发布日期:2016-10-27 17:34
1.实拍图:

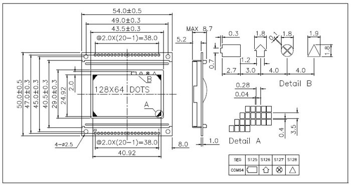
2.外形尺寸图:

3.接口定义:

4.原理结构图:

产品型号: LCM12864E
显示内容:128(列) * 64(行)点
外形尺寸(mm): 54 * 50 * 8.7
视域尺寸(mm): 43.5*29
点 尺 寸(mm): 0.28* 0.35
控 制 器:KS0108
(1)电压:3.3V,5.0V
(2)STN正视反射模式
(3)显式模式:黄绿膜、灰膜、蓝膜
(4)显式角度:6点钟直视
(5)与CPU接口采用8位数据总线并行输入输出和8条控制线
(6) 使用与储存温度有:常温(工作温度0~+50℃,储存温度-10~+60℃);宽温(工作温度-20~+70℃,储存温度-30~+80℃)。
(7)背光特征:LED背光(黄绿色、白色、蓝色、红色)
(8)模块封装方式:COB
(9)功耗:模块自带负压

